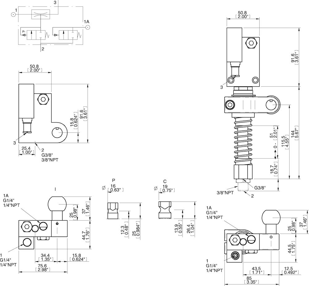
Piab Vacuum Check Valve VT-1H COAX®, NPT threads, Lock pin 19, Right hand connection
These vacuum pumps combine high security and the most energy-efficient solution for sealed material, COAX® technology with automatic air-saving function. They have a check valve that traps vacuum in sealed applications and an integrated energy saving devi.
- 1046RH
Overview
Features
- Two-stage COAX® cartridge MINI Pi12-2 integrated.
- Check valve that traps vacuum in sealed applications for safe operation.
- Built-in blow off check valve for fast release of object.
- Available in lock pin 16, 19 or ball joint mountings, industry standard.
- Available with level compensator to compensate for differences in level of object.
- Recommend using 4mm (5/32”) tubing and no more than 80 psi for blow off.
- Recommend using 6mm (1/4”) tubing and no more than 80 psi for vacuum.
- Equal line lengths from common manifold should be used for both blow-off and vacuum.
- Maximum of (12) units per tool.
- Material: Nitrile (NBR);Al;CuZn;PA;PP;SS;Steel;Ceramic
- Temperature: 14 °F
- Dimensions: 0.78 lb. (weight)
- Feed Pressure (Max): 0.55 MPa
Need Help? Call an engineer at 1-802-880-3123
We're open 8:00 am to 5:30 pm ET