$74.64
  • V579-3/2NC-DA06-230AC-1,2-RV2-LED
  • 5791205680

Overview

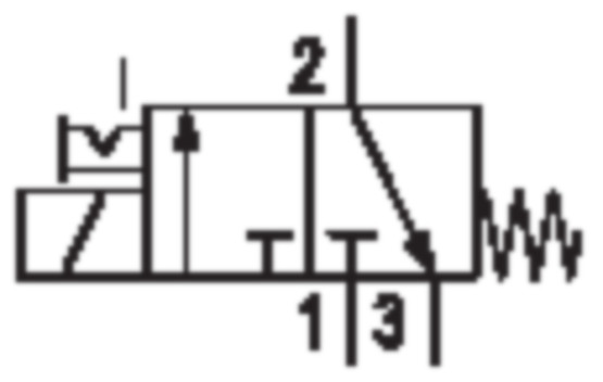
Features

  • Activation: Electrically
  • Compressed air connection output: Ø 6x1
  • Electrical Connection 2: ISO 15217, form C
  • Flow L M: 50 l/min
  • Housing Material: Polyamide
  • Industry: Industrial
  • Manual Override: with detent
  • Max Working Pressure: 7 bar
  • Min Working Pressure: 0 bar
  • Operating Voltage: 230 V AC
  • Seat Seal Type: Soft seal
  • Switching principle: 3/2, with spring return
  • Valve Function: NC
View other configurations.

Description

AVENTICS 3/2-directional valve, Series 579 5791205680