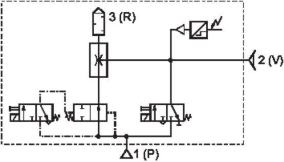
Aventics EBS-ET-15-NO-I-N-VE-DA06-DA08-S001 Vacuum Generator
Ejector, Vacuum generators.
- EBS-ET-15-NO-I-N-VE-DA06-DA08-S001
- R412010171
- EBS-ET-15-NO-I-N-VE-DA06-DA08-S001
- By Aventics
- FREE Shipping on orders of $2,000 or more
Overview
Features
- Activation: Electrically
- Compressed air connection input: Ø 6
- Compressed air vacuum: Ø 8
- Housing Material: Polyamide fiber-glass reinforced
- Industry: Industrial
- Max Working Pressure: 6 bar
- Dimension: 9.06x6.30x1.57 (inches)
Description
Need Help? Call an engineer at 1-802-880-3123
We're open Mo-Th 8am to 5:30pm. Fr 8am to 5pm ET